Messgerät - Elektrotechnik - Bild 739
Hartmann & Braun - Frankfurt a/M.
Hartmann & Braun Frankfurt a/M Bild 739
Herstellungsjahr: 1979
Bezeichnung: Vielfach Messgerät AC / DC / Ohm – Modell Elavitron 2
Beschreibung: Ein kleines Handliches Vielfach – Multimeter für den Techniker
Unterwegs bei der Reparatur.
Überlastungsschutz:
Im Leitungszug der gemeinsamen Eingangsklemmen „ Masse „ ist eine Schmelzsicherung eingeschaltet.
Verwendet wird eine Schmelzsicherung mit einem Nennstrom von 2,5 A ( F 2,5 E Din 41571 ) vorgesehen, welche bei hohen Strombereichen die Leiterplatte bei groben Bedienungsfehlern schützt.
Die kleineren Strombereiche sind hierdurch nicht mehr geschützt.
Beschreibung u. Details aus Original Unterlagen Hartmann & Braun von 1979

Potensiometer zur Einstellung des elektrischen „ Nullpunktes „ ( Betätigung mit Schraubendreher durch ein Loch in der Gehäuserückseite ).
Siehe roten Pfeil im Bild links
Wegen der großen Stabilität des Verstärkers ist diese Einstellung nur ab und zu zu kontrollieren und die Zeigereinstellung ggf. auf „ 0 „ der äußeren Skala zu korrigieren.
Den Stromartenschalter auf Gleichstrom stellen. Die Schalterstellung des Messbereichwählers ist beliebig, aber nicht auf das Batterie Symbol schalten.
Bei Umschaltung auf Wechselstrom darf sich die Zeigerstellung nicht verändern.
Hartmann & Braun Frankfurt a/M Bild 739-1
Herstellungsjahr: 1979
Bezeichnung: Vielfach Messgerät AC / DC / Ohm – Modell Elavitron 2
Beschreibung: Ein kleines Handliches Vielfach – Multimeter für den Techniker
Unterwegs bei der Reparatur.
Batterieprüfung:
Am Gerät darf keine Messgröße angelegt sein.
Stromartenschalter auf Gleichstrom( + ) stellen‚ Messbereichwähler auf die Schalerstellung
( Batt. Symbol ) einstellen. Der Zeiger muss sich dann innerhalb der auf der Skala angebrachten Batteriemarke einpendeln.
Sollte dies nicht der Fall sein, dann ist der Batteriesatz zu erneuern. Zu verwenden sind vier 1,5 Volt Batterien nach IEC R 1.
Beschreibung u. Details aus Original Unterlagen Hartmann & Braun von 1979
Hartmann & Braun Frankfurt a/M Bild 739-2
Herstellungsjahr: 1979
Bezeichnung: Vielfach Messgerät AC / DC / Ohm – Modell Elavitron 2
Beschreibung: Ein kleines Handliches Vielfach – Multimeter für den Techniker
Unterwegs bei der Reparatur.
Messbereiche:
Die angegebenen Fehlergrenzen gelten bei horizontaler Gebrauchslage, bei einer Temperatur von 20 ° C und bei sinusförmigem Wechselstrom 50 ... 60 Hz.
Strom und Spannungsbereiche:
Gleichstrom ± 2,5 % v. Skalenendwert. Wechselstrom ± 2,5 % v. Skalenendwert.
Widerstandsmessbereich: ± 2,5 % der Skalenlänge
Beschreibung u. Details aus Original Unterlagen Hartmann & Braun von 1979
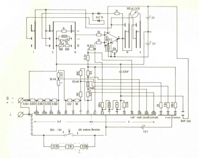
Hartmann & Braun Frankfurt a/M Bild 739-3
Herstellungsjahr: 1979
Bezeichnung: Vielfach Messgerät AC / DC / Ohm – Modell Elavitron 2
Beschreibung: Ein kleines Handliches Vielfach – Multimeter für den Techniker
Unterwegs bei der Reparatur.
Prinzipschaltung:





