Messgerät - Elektrotechnik - Bild 734
Hartmann & Braun - Frankfurt a/M.
Hartmann & Braun Frankfurt a/M Bild 734
Herstellungsjahr: 1975
Bezeichnung: Vielfach Messgerät für AC / DC / Ohm – Modell Elavi 5 n
Beschreibung: Ein robustes Multimeter für den Praktiker im Elektrohandwerk.
Gebrauchsanweisung:
Messgerät betriebsbereit machen. Achtung !
Vor abnahme der Abdeckplatte prüfen, ob auch völlig vom Netz abgetrennt ist. Dann erst die Bodenplatte nach Lösen zweier Schlitzschrauben abnehmen.
Batterien einlegen ( vorher noch Nullpunkteinstellung kontrollieren ) hochleistungssicherung einlegen und zwar anstelle des auf der rechten Seite befindlichen Stanzteiles.
Nach Lösen zweier kleiner Schlitzschrauben läßt sich dieses herausnehmen und an dessen Stelle die beiliegende Hochleistungssicherung einschrauben.
Die Feinsicherung ist bereits eingesetzt. Bodenplatte wieder festschrauben. Messgerät ist nun betriebsbereit.
Beschreibung und Details aus Original Unterlagen von 1975

Im Bild 1 ist die Rückansicht vom Elavi 5 n , geöffneter Batterie und Sicherungsraum.
Die abgeschmolzene Sicherung stets durch eine Originale Sicherung ersetzen.
Zur Vermeidung von Messfehlern Elavi 5 n annähernd horizontal und außerhalb des Einflusses von starken Fremdfeldern ( Stromschienen ) stellen.
HF – Felder von 0,5 V/cm ergeben bei 20 MHz
einen Fehler innerhalb der Klassengenauigkeit.
Hartmann & Braun Frankfurt a/M Bild 734-1
Herstellungsjahr: 1975
Bezeichnung: Vielfach Messgerät für AC / DC / Ohm – Modell Elavi 5 n
Beschreibung: Ein robustes Multimeter für den Praktiker im Elektrohandwerk.
Überlastungsschutz:
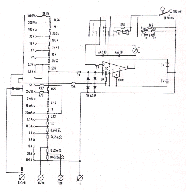
Im Leitungszug der gemeinsamen Eingangsklemme kann eine Schmelzsicherung eingeschaltet werden, die bei groben Bedienungsfehlern die Leiterplatte vor Zerstörung schützt. Verwendet wird eine Hochleistungssicherung Typ. GS 1000/5 die eine Nennausschaltstrom um 100 kA hat. Sie ist laut Herstellerangaben für 700 V eff und 400 V – geeignet. Sie ist nur bei den Strombereichen bis 3 Amp. wirksam. Höhere Ströme sind nicht abgesichert.
Die Spannungsbereiche 0,1 … 100 V können kurzzeitig mit dem 10 fachen Wert überlastet werden, ohne dass das Messgerät beschädigt wird.
Der Messbereich 1000 V darf maximal nur mit 20 % überlastet werden, da sonst Überschläge innerhalb des Messgerätes auftreten können.
Beschreibung und Details aus Original Unterlagen von 1975.
Hartmann & Braun Frankfurt a/M Bild 734-2
Herstellungsjahr: 1975
Bezeichnung: Vielfach Messgerät für AC / DC / Ohm – Modell Elavi 5 n
Beschreibung: Ein robustes Multimeter für den Praktiker im Elektrohandwerk.
Messbereiche:
Gleich und Wechselspannungsbereiche ( - / ~ )
Von 0,1 bis 1000 Volt in 9 Schritten.
Gleich und Wechselstrombereichen ( - / ~ )
Von 3 mAmp. bis 100 Ampere in 10 Schritten.
Widerstandsbereiche:
0 bis 1 k Ohm und 0 bis 10 kOhm in zwei Schritten.
Beschreibung und Details aus Original Unterlagen von 1975.