Messgerät - Elektrotechnik - Bild 735
Metrawatt Nürnberg - Bayern
Metrawatt – AG – Nürnberg Bild 735
Herstellungsjahr: 1973
Bezeichnung: Vielfach – Messgerät Modell Unigor 3p AC / DC bis 5 kV / OHM.
Beschreibung: Das Universelle Vielfach Messgerät Unigor 3 p ist für den Rauen
Täglichen Einsatz im Außendienst eines Radio – Fernseh oder
Nachrichtentechnikers.
Der Überlastungsschutz.
Das Unigor 3p ist durch mehrere Schutzeinrichtungen weitgehend gegen Beschädigungen durch falsche Handhabung und Überlastung geschützt.
Schutzschalter:
Ein empfindliches Relais, dessen Wicklung in Serie zum Messwerk liegt, öffnet bei Überlastung mit dem etwa 10 bis 20 fachen Betrag des eingestellten Messbereiches einen Kontakt und unterbricht den Messstromkreis in 0,005 bis 0,01 Sekunden. Das Relais spricht sowohl mit Gleichstromerregung als auch mit Wechselstromerregung an.
Beschreibung und Details aus Original Unterlagen Fa. Metrawatt von 1973

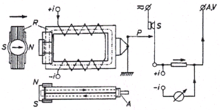
Die hohe Empfindlichkeit des Relais ergibt sich durch die Anwendung des Prinzips der Sättigungssperre. Der Relaisanker „ A „ der mit einer Kontaktfeder „ S „ verbunden ist, wird durch einen permanent – magnetischen Fluss am Relaisjoch „ R „ gehalten. Bei einer bestimmten Erregung der Relaiswicklung kommt das Joch in die Sättigung und schwächt infolge der Erhöhung des magnetischen Widerstandes den Haltefluß des Permanentmagnetes „ NS „ , so dass der Anker durch die Kraft „ P „ zum Abfallen gebracht und der Schutzschalterkontakt geöffnet wird.
Metrawatt – AG – Nürnberg Bild 735-1
Herstellungsjahr: 1973
Bezeichnung: Vielfach – Messgerät Modell Unigor 3p AC / DC bis 5 kV / OHM.
Beschreibung: Das Universelle Vielfach Messgerät Unigor 3 p ist für den Rauen
Täglichen Einsatz im Außendienst eines Radio – Fernseh oder
Nachrichtentechnikers.
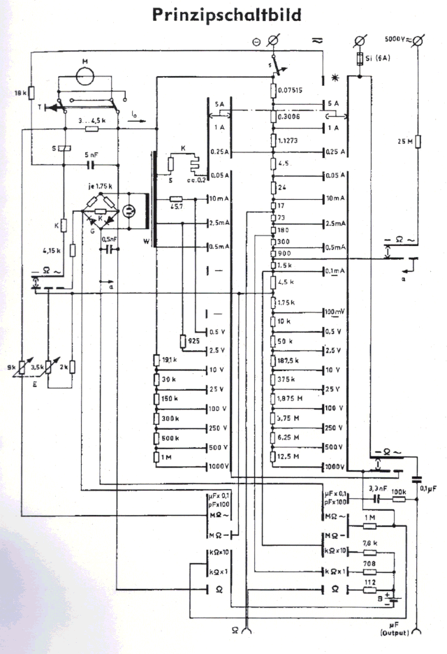
Der Schutzschalter verhindert außerdem die Gefahr eines Kurzschlusses im Falle, dass während einer Spannungsmessung irrtümlich vom 1000 Volt – Bereich auf den 5 Ampere Bereich weitergeschaltet wird.
In der Schalterstellung zwischen diesen beiden Bereichen ( im Prinzipschaltbild mit einem „ * „ bezeichnet ) wird das Relais über einen Schutzwiderstand direkt an den Eingang angeschlossen, sodass der Schutzschalter noch vor Erreichen der 5 Amp. Stellung anspricht.
Zum Schutze der hohen Strombereiche, insbesondere des 5 Amp. Bereiches, bei dem der Schutzschalter erst bei 50 bis 100 Amp. ansprechen würde, sowie auch zum Schutz des Instrumentes gegen direkten Kurzschluss bei irgendeinem Strombereich, ist eine Schmelzsicherung für einen -Nennstrom von 6Amp. in den Messstromkreis eingeschaltet.
Ein parallel zum Wandlerausgang geschalteter Spannungsableiter begrenzt Spannungsspitzen auf eine für die Dioden ungefährliche Höhe.
Beschreibung und Details aus Original Unterlagen Fa. Metrawatt von 1973

Rückseite vom Unigor 3p mit den Technischen Daten und einer Kurzbeschreibung zum Beschalten des Messgerätes.
Metrawatt – AG – Nürnberg Bild 735-2
Herstellungsjahr: 1973
Bezeichnung: Vielfach – Messgerät Modell Unigor 3p AC / DC bis 5 kV / OHM.
Beschreibung: Das Universelle Vielfach Messgerät Unigor 3 p ist für den Rauen
Täglichen Einsatz im Außendienst eines Radio – Fernseh oder
Nachrichtentechnikers.
Beschreibung und Details aus Original Unterlagen Fa. Metrawatt von 1973


